¶
title: KJM Příloha F: Elektrické zapojení plynového ohřívače Monzun
description:
published: true
date: 2024-10-04T10:55:28.789Z
tags:
editor: markdown
dateCreated: 2024-09-24T07:00:34.093Z
¶
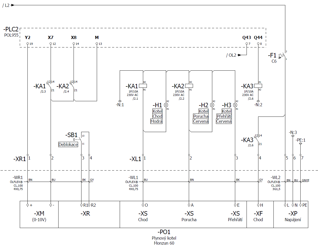
PŘÍLOHA F. ELEKTRICKÉ ZAPOJENÍ PLYNOVÉHO OHŘÍVAČE MONZUN
A: Komora plynového výměníku
B: Monzum
C: Porucha
D: Chod
E: Vyp./Zap.